🎈框架组装与接线
🎈框架组装与接线
组装步骤
(这个步骤是看着大鱼视频教程一步步记录和整理的,方便组装时参考)
温馨提示:如果安装中不知道某个工件的具体安装位置,可以去三维模型中去查看。
大步骤 | 小步骤 | 进度 | 说明 | 配图1(来自大鱼原版视频) | 配图2(来自我的组装过程) | ||
-1、前期准备 | 工具准备 |
| 详见 | ||||
零件材料购买 |
| 详见 | |||||
材料预分类、整理 |
| 整齐摆放、分类,用的时候好找 | |||||
0、预处理和预组装 | Z轴型材两头攻丝M6 |
| 425mm的4根铝型材 网上攻丝太贵了要20,自己攻了 (经验不足没攻好,建议新手在购买型材时让店家攻丝) |
|
|
| |
亚克力板攻丝M3 |
| 亚克力板攻丝 (用M3的攻丝钻头攻了一个丝发现用M3的螺钉时孔太大,一点都咬合不住,千万要注意。后来安装法兰的时候我直接手拧的) |
| ||||
打印件打磨、扩孔 |
|
| |||||
4个L形连接件扩孔M6 |
|
| |||||
热床支架模块:1720型材+不锈钢直片 |
| 1720型材+型材螺母M4+螺钉M4*8+不锈钢直片 | |||||
挤出机模块 |
| 见附录1 | |||||
喷嘴模块:挤出头+喉管+加热头+散热块+散热风扇+风扇罩(也可以在这里把加热棒、热敏电阻安装上) | 大鱼教程:
|
|
| ||||
热床支架模块:1720型材+不锈钢直片 | |||||||
Z轴运动模块:亚克力+直线轴承法兰+丝杆螺母+Z轴限位开关触发器+限位开关支架+型材螺母+螺钉 |
| 使用:型材螺母M4;螺钉M4*12 使用:使用M3*10安装4个法兰轴承、2个丝杆铜坐 Z光轴:380mm 安装Z轴限位开关触发器+Z轴限位开关支架,触发器安装在直线轴承上、支架安装在光轴上,螺丝不拧紧 固定光轴支架,8个 |
|
注意限位开关触发器+支架需要在左右两侧的Z轴分别安装一对。 |
注意这里的丝杆螺母不能用自带的螺母,要用下图的消隙螺母
这一步也可以把丝杆一并安上 | ||
步进电机模块:步进电机+步进电机支架+螺钉 |
| 使用螺钉(M3*6) 注意电机接线端口和支架长边朝向一致 |
| ||||
带座轴承模块:带座轴承+型材螺母+螺钉 |
| 使用螺钉(M4*?)和螺母(型材螺母-20型M4) |
| ||||
角码模块:角码+型材螺母+螺钉 |
| 使用螺钉(M5*8)和螺母(型材螺母-20型M5) | |||||
L形连接件模块:L形连接件+型材螺母+螺钉 |
| 使用螺钉(M4*6)和螺母(型材螺母-20型M4) | |||||
光轴支架模块:光轴支架+型材螺母+螺钉 |
| 使用螺钉(M5*12)和螺母(型材螺母-20型M5) | |||||
焊接:限位开关导线 |
|
| |||||
1-框架 | 1 | 使用L形连接件 安装顶部型材 |
| 安装XZ面1 先保证垂直度,后用角码紧固,建议在此步骤直接上两个L形连接片固定;注意实时校准垂直度 |
| ||
2 | 最远端36cm安装底部型材 |
| 最远端36cm安装底部型材 |
| |||
3 | 重复1、2,安装第二个 对比两个的一致性,如果不一致进行矫正 |
| 先保证垂直度,后用角码紧固,建议在此步骤直接上两个L形连接片固定 |
| |||
4 | 安装底部4个角码 |
| 安装L形连接片固定 |
| |||
5 | 固定4根横杆,安装8个角码 |
| 重复1、2、3、4安装XZ面2;注意实时校准垂直度 | ||||
6 | 使用L形连接件组合,加固5中固定的4根横杆 固定时需要将角码松开 顶部4跟横杆正方形矫正( 四角垂直矫正) 注意:先固定L件再固定角码 |
| 在XZ面1上安装4根Y方向型材,同时用角码和L形连接件加固 |
| |||
7 | 校准对角线距离 |
| 安装XZ面2 |
| |||
8 | 安装顶部L形连接件组合,4个 安装顶部L形连接件组合,?个 安装底部角码,?个 安装四条对的橡胶垫,4个 |
| 校准对角线距离 |
| |||
9 | 紧固螺钉 | ||||||
Z轴运动模块 | 0 | 材料:如图 其中:光轴-380mm(Z轴) |
|
|
| ||
1 | 安装Z轴限位开关触发器+Z轴限位开关支架,触发器安装在直线轴承上、支架安装在光轴上,螺丝不拧紧(此步骤在大鱼视频中比较靠后,但在这儿更方便) 固定光轴支架,8个 | 安装预组装的“Z轴运动模块” |
| ||||
2 | 安装光轴到框架上,注意:丝杆螺母距离框架中心更近 148mm位置 将亚克力板移到下面,再固定下面的光轴支架 将亚克力板移到上面,再固定上面的光轴支架 |
| 安装消隙螺母和丝杆 安装步进电机 |
| |||
3 | 核对亚克力板顺滑 核对丝杆螺母距离框架中心更近 紧固螺丝 | ||||||
4 | 安装丝杆、消隙螺母 注意:消隙螺母两个件槽口卡进去 |
| |||||
5 | 安装电机组合、弹性联轴器 重复此步骤安装另一边 |
| |||||
X轴运动模块 | 0 | 材料: 8个带座轴承 光轴360mm 光轴380mm 带座轴承、直线轴承 |
| ||||
1 | 安装光轴+带座轴承+同步轮+直线轴承+同步轮+带座轴承 距离87mm如图 重复安装另一个 |
| |||||
2 | 校准两根轴是否与框架两边平行,精细,用卡尺测量 |
| |||||
Y轴运动模块 | 0 | 410mm长,2根 | |||||
1 | 光轴+带座轴承+同步轮(一根的一端双向同步轮)+直线轴承+同步轮+带座轴承 位置:大概固定 |
| |||||
十字运动模块与热床 | 0 | 材料和方法 光轴在上面的,孔在下面 光轴在下面的,孔在上面 | 材料:
| 方法:
| |||
1 | 短光轴(X): 短光轴+打印件+铜套+打印件+螺钉(M3*16/M3*20沉头) 说明:这里的铜套和视频里的不一个型号,是加长的,所以不用限位环。螺丝根据打印件的螺孔和厚度选择 |
| |||||
2 | 长光轴(Y): 长光轴+打印件+铜套+打印件+螺钉(M3*16/M3*20沉头) 说明:螺丝根据打印件的螺孔和厚度选择 |
| | ||||
3 | 打印件+铜套+打印件+打印件+散热器 校正十字滑块顺滑度,可调整带座轴承、 安装螺丝(M3*16/M3*20/M3*50) 校正十字滑块顺滑度,移至4个角落看 |
|
| ||||
4 | 校准完成后紧固带座轴承螺钉 | ||||||
5 | 安装4条同步带+1条闭环同步带 |
| |||||
6 | 紧固同步轮的螺丝 紧固带座轴承上的光轴 | ||||||
7 | 安装2个电机 使用1条同步带+1个同步轮 |
| |||||
8 | 安装热床支架: 将两个亚克力板升到相同高度 亚克力+型材螺母M4+螺钉M4*12 1720型材+型材螺母M4+螺钉M4*8+不锈钢直片 固定 |
| |||||
9 | 调节Z轴与框架距离: 拧松Z轴光轴固定架,再进行调节 先确定上面光轴固定架的位置,然后测量,调节下面光轴固定架的位置,148mm,紧固光轴固定架螺丝 |
| |||||
10 | 安装3个限位开关(4个) 把晶格玻璃放到热床上 Z轴限位开关高度调节时移动热床往上做参考 (大 约一张纸的厚度?) 整理线 |
| |||||
11 | 安装Z轴电机 | ||||||
12 | 安装风扇3个 3010+风扇罩+M3*16螺钉 2个2510 装在侧面 装在十字滑块底下 注意:3010风扇有标签的向里 —————————————— 根据往期接线视频: 安装风扇3个: 3010+风扇罩+M3*16螺钉,装在左侧面 4010+吹风口+打印件,装在前面 |
|
| ||||
3-接线 | 在接线之前先找个东西固定自己的电路,并确保用电安全。 |
| |||||
1 | 跳线帽安装 |
| |||||
2 | 接口说明 | Z作为Z1,E1作为Z2
| |||||
3 | 驱动安装: 说明:针脚并不是完全相同,但要能基本对上,千万别插反。 |
| |||||
4 | 触摸屏安装 AUX-AUX |
| |||||
5 | 电机安装,5个 |
| |||||
6 | 吹散热管风扇 只要主板一供电,就通电, |
| |||||
7 | 可控风扇,可以在切片软件中设置什么时候开启,开多大功率,一般用于给模型散热 |
| |||||
8 | 加热棒,不分正负极 |
| |||||
9 | 热床和电源,要分正负 热床用0.75平,电源用1平 热床的线需要焊接在热床上 焊接方法要看热床说明 |
| |||||
10 | 挤出头热敏、热床热敏 不分正负极 热床热敏用高温胶带贴在热床上,贴牢固,否则可能测不到温度报错 |
| |||||
11 | 限位开关 自己准备端子 |
| |||||
12 | 挤出机、热夫龙管 |
| |||||
13 | 理线 |
| |||||
附录1、挤出机安装步骤
0、参考
淘宝:3D打印机配件 泰坦 Titan 挤出机 E3D 远程近程通用1.75mm耗材
1、材料

2、步骤


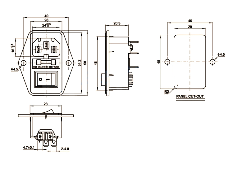
附录2、电源开关接线
0、参考
1、尺寸图

2、保险丝

3、接线图


























































































